Zum Hauptinhalt springen Zur Suche springen Zum Menü springen

Schneider Electric Platten

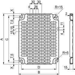
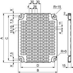
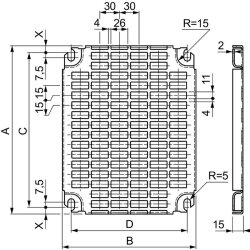
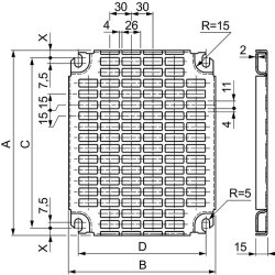
Schneider Electric PlattenPerforierte Monoblock H300xB400mm
20,23 €
inkl. 19% USt. , zzgl. Versand
Stk