Zum Hauptinhalt springen Zur Suche springen Zum Menü springen

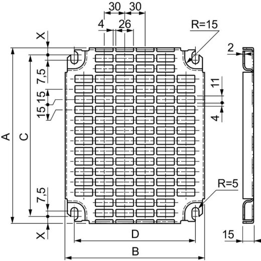
Schneider Electric Platten Perforierte Monoblock H400xB400mm NSYMR44

Schneider Electric Platten Perforierte Monoblock H400xB400mm NSYMR44
26,53 €
inkl. 19% USt. , zzgl. Versand
Stk