Zum Hauptinhalt springen Zur Suche springen Zum Menü springen

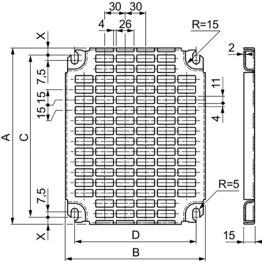
Schneider Electric Platten Perforierte Monoblock H500xB400mm NSYMR54

Schneider Electric Platten Perforierte Monoblock H500xB400mm NSYMR54
23,62 €
inkl. 19% USt. , zzgl. Versand
Stk