Zum Hauptinhalt springen Zur Suche springen Zum Menü springen

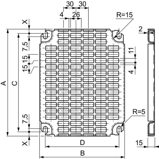
Schneider Electric Platten Perforierte Monoblock H300xB200mm NSYMR32

Schneider Electric Platten Perforierte Monoblock H300xB200mm NSYMR32
8,91 €
inkl. 19% USt. , zzgl. Versand
Stk