Zum Hauptinhalt springen Zur Suche springen Zum Menü springen

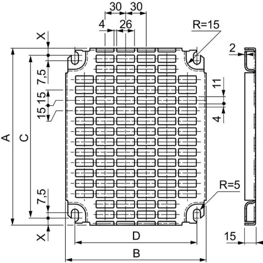
Schneider Electric Platten Perforierte Monoblock H800xB600mm NSYMR86

Schneider Electric Platten Perforierte Monoblock H800xB600mm NSYMR86
60,91 €
inkl. 19% USt. , zzgl. Versand
Stk