Zum Hauptinhalt springen Zur Suche springen Zum Menü springen

Schneider Electric Platten

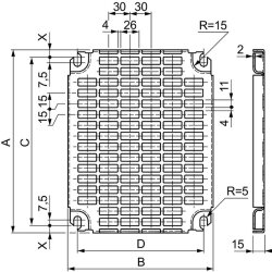
Schneider Electric PlattenPerforierte Monoblock H800xB800mm
67,41 €
inkl. 19% USt. , zzgl. Versand
Stk