Zum Hauptinhalt springen Zur Suche springen Zum Menü springen

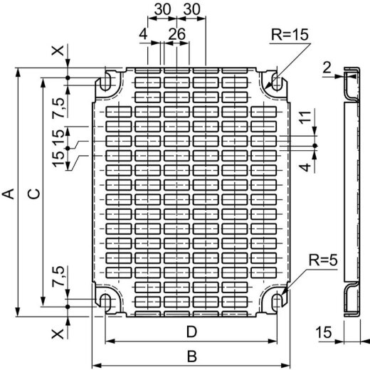
Schneider Electric Platten Perforierte Monoblock H1000xB800mm NSYMR108

Schneider Electric Platten Perforierte Monoblock H1000xB800mm NSYMR108
77,31 €
inkl. 19% USt. , zzgl. Versand
Stk