Zum Hauptinhalt springen Zur Suche springen Zum Menü springen

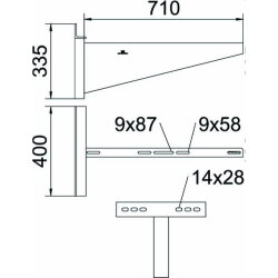
OBO Wand- und Klemmausleger AWSS 71 FT B710mm

AWSS 71 FT B710mm
350,10 €
inkl. 19% USt. , zzgl. Versand
Stk