Zum Hauptinhalt springen Zur Suche springen Zum Menü springen

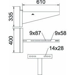
OBO Wand- und Klemmausleger AWSS 61 FT B610mm

AWSS 61 FT B610mm
266,14 €
inkl. 19% USt. , zzgl. Versand
Stk