Zum Hauptinhalt springen Zur Suche springen Zum Menü springen

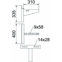
OBO Wand- und Klemmausleger AWSS 31 FT B310mm

AWSS 31 FT B310mm
197,92 €
inkl. 19% USt. , zzgl. Versand
Stk