Bitte beachten Sie die Mindestabnahme von 10 Meter.
Bitte beachten Sie das Abnahmeintervall von 10 Meter.
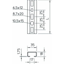
Mittlere C-Profilschiene zur Kabelverlegung, in Verbindung mit Buegelschellen mit Hammerkopf-Fuss. Auch verwendbar als Abhaengekonstruktion fuer Kabeltragsysteme.
Es gibt noch keine Bewertungen.
Bitte beachten Sie unsere Datenschutzerklärung