Zum Hauptinhalt springen Zur Suche springen Zum Menü springen

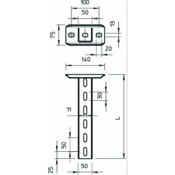
OBO Hängestiel US 5 K 60 VA4301 mit Kopfplatte

US 5 K 60 VA4301 mit Kopfplatte
142,19 €
inkl. 19% USt. , zzgl. Versand
Stk