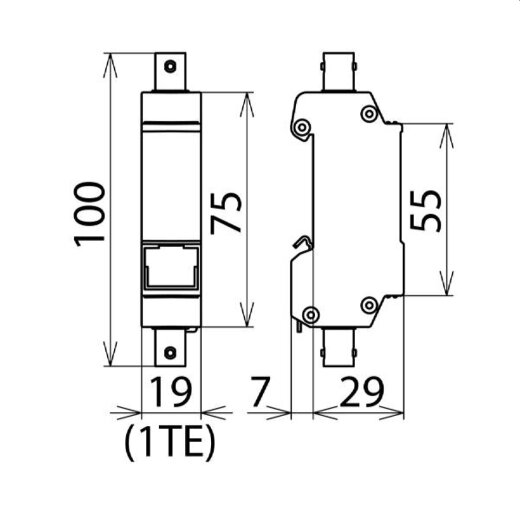
Platzsparenender Überspannungsableiter mit BNC-Buchsenanschluss fuer die Tragschienenmontage zum Schutz von Video- und Kamerasystemen. Mit indirekter Schirmanbindung zum Vermeiden von Brummschleifen.
Es gibt noch keine Bewertungen.
Bitte beachten Sie unsere Datenschutzerklärung