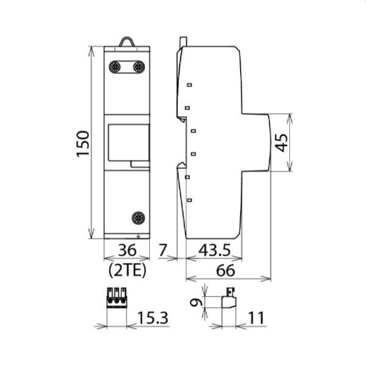
Einpoliger, koordinierter Blitzstromableiter DEHNbloc Maxi, Typ 1 nach EN 61643-11 auf Funkenstreckenbasis. Hohe Folgestromlöschfaehigkeit und Folgestrombegrenzung durch RADAX-Flow-Technologie. Zum Schutz von Niederspannungs-Verbraucheranlagen vor Überspannungen auch bei direkten Blitzeinschlaegen. Zum Einsatz im Blitz-Schutzzonen-Konzept an den Schnittstellen 0A- 1.
Es gibt noch keine Bewertungen.
Bitte beachten Sie unsere Datenschutzerklärung